





Для широкого лабораторного применения, где требуется постоянный вакуум.
Применение вакуумных систем:
- Процессы, требующие контроля вакуумирования;
- Вакуумная фильтрация, вакуумное дегазирование, ротационные испарители, гель-осушители.
- 100% безмасляный перенос - чистый перенос, откачка и сжатие газов
- Идеально подходит для чрезвычайно агрессивных / коррозионных газов и паров
Технические особенности вакуумных систем:
- Простота в использовании;
- Низкий уровень шума;
- Встроенный газобалластный клапан;
- 3-цветный дисплей состояния: работа/ожидание/ошибка;
- Встроенный регулятор скорости вращения;
- Экологически чистый.
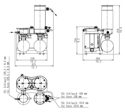
Вакуумная система KNF SH включает в себя:
- Насос
- Платформа
- Колба-сепаратор на входе
- Колба-сепаратор на выходе
- Высокопроимзводительный конденсор на выходе
Технические характеристики вакуумной системы KNF SH 820 G:
- Расход: 20 л/мин; 1.2 м3/час
- Вакуум: до 6 мбар;
- Диаметр штуцера на входе: 8-9,5 мм;
- Диаметр штуцера на выходе: 10 мм;
- Вес: 11,7 кг;
- Размеры: 323 x 416 x 260 мм
- Степень защиты IP30
- Мощность 60 Вт
- Базовая модель насоса: N 820 G
Материалы контактирующих с газом частей:
Головка насоса TFM ™ PTFE
Мембрана с покрытием PTFE
Клапаны FFPM
Нет отзывов об этом товаре.
Нет вопросов об этом товаре.
Доставка заказов осуществляется в любые регионы Российской Федерации и страны СНГ.
Цены на нашем сайте указаны с учетом НДС (20% либо 10%).
Оплата заказов производится только в безналичной форме на расчетный счет в рублях Российской Федерации на основании выставленного Счета.
Для бюджетных организаций и государственных структур предусмотрены особые условия оплаты.
Постоянным клиентам предоставляются скидки и индивидуальный порядок расчетов.
Внимание! В связи с нестабильным курсом валют и изменением цен у производителей, просим окончательную стоимость продукции уточнять у наших менеджеров.
Варианты доставки:
Самовывоз со склада в городе Клин
Адрес выдачи: Московская область, г. Клин, ул. Захватаева, д. 4, офис 101
Контактный телефон: +7 (977) 407-05-96
Доставка по Клину и Клинскому району – бесплатно
Доставка по Москве – 1 500 рублей
Доставка любыми транспортными компаниями, службами экспресс-доставки. Стоимость рассчитывается индивидуально для каждого заказа в соответствии с установленными тарифами транспортной компании. Все грузы застрахованы.
Компания "КомплектСнаб является официальным поставщиком от производителя KNF. Вы всегда можете получить бесплатную консультацию по продукции, получить КП и задать вопросы по подбору аналогов продукции.